
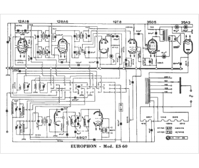
Marque :
Europhon
Modèle :
ES 60
Type appareil :
récepteur à tubes
Pays d'origine :
Italie
