
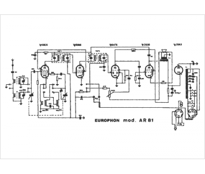
Marque :
Europhon
Modèle :
AR 81
Type appareil :
récepteur à tubes
Pays d'origine :
Italie
