
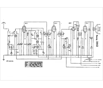
Marque :
Eumig
Modèle :
3043
Type appareil :
récepteur à tubes
Pays d'origine :
Autriche, Allemagne
