
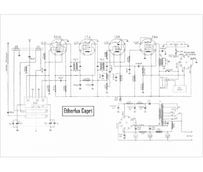
Marque :
Etherlux
Modèle :
Capri
Type appareil :
récepteur à tubes
Pays d'origine :
France
