
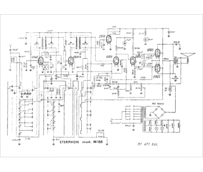
Marque :
Eterphon
Modèle :
M 155
Type appareil :
récepteur à tubes
Pays d'origine :
Italie
