
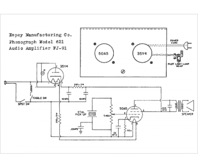
Marque :
Espey
Modèle :
FJ-91
Type appareil :
récepteur à tubes
Année :
1946
Pays d'origine :
États-Unis
