
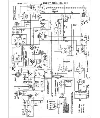
Marque :
Espey
Modèle :
2113
Type appareil :
récepteur à tubes
Année :
1942
Pays d'origine :
États-Unis
