
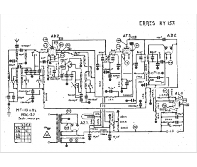
Marque :
															Erres																																															
														Modèle :
																KY 157																																	
															Type appareil :
																récepteur à tubes
															Année :
																1936
															




