
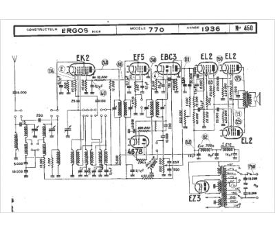
Marque :
Ergos
Modèle :
770
Type appareil :
récepteur à tubes
Année :
1936
