
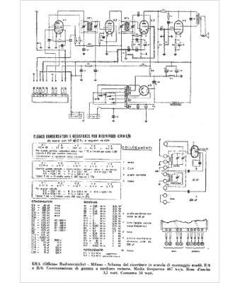
Marque :
Era
Modèle :
R 6
Type appareil :
récepteur à tubes
Pays d'origine :
Italie
