
Marque :
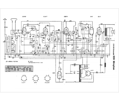
EMW
Modèle :
Miraphon 5361
Type appareil :
récepteur à tubes
Pays d'origine :
Allemagne
