
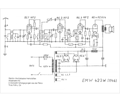
Marque :
EMW
Modèle :
423 W
Type appareil :
récepteur à tubes
Pays d'origine :
Allemagne
