
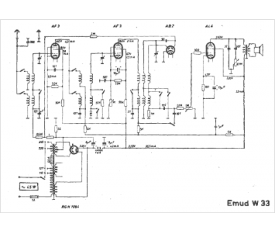
Marque :
EMUD
Modèle :
W 33
Type appareil :
récepteur à tubes
Pays d'origine :
Allemagne
