
Marque :
EMUD
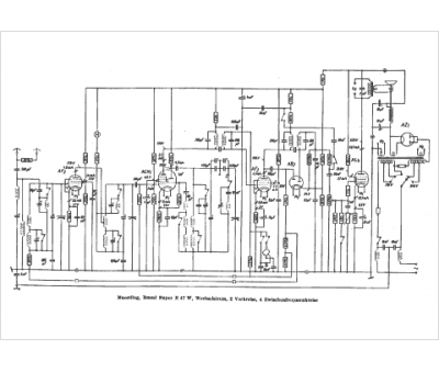
Modèle :
Super E 47 W
Type appareil :
récepteur à tubes
Pays d'origine :
Allemagne
