
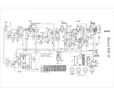
Marque :
EMUD
Modèle :
Record 200 W
Type appareil :
récepteur à tubes
Pays d'origine :
Allemagne
