
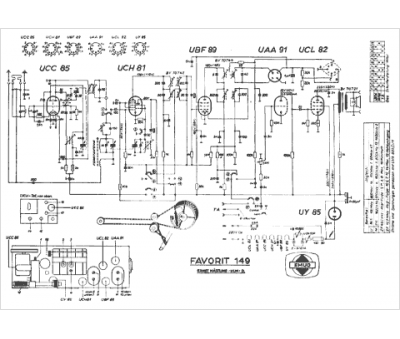
Marque :
EMUD
Modèle :
Favorit 149
Type appareil :
récepteur à tubes
Pays d'origine :
Allemagne
