
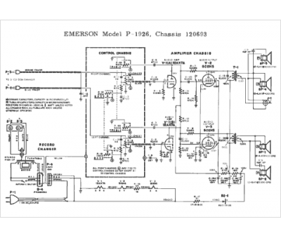
Marque :
Emerson
Modèle :
P-1926
Type appareil :
récepteur à tubes
Année :
1964
Pays d'origine :
États-Unis
