
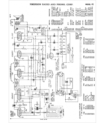
Marque :
Emerson
Modèle :
FT
Type appareil :
récepteur à tubes
Année :
1948
Pays d'origine :
États-Unis
