
Marque :
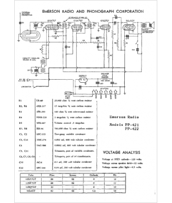
Emerson
Modèle :
FP-422
Type appareil :
récepteur à tubes
Année :
1941
Pays d'origine :
États-Unis
