
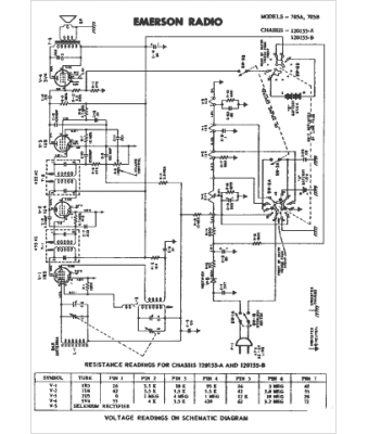
Marque :
Emerson
Modèle :
705B
Type appareil :
récepteur à tubes
Année :
1953
Pays d'origine :
États-Unis
