
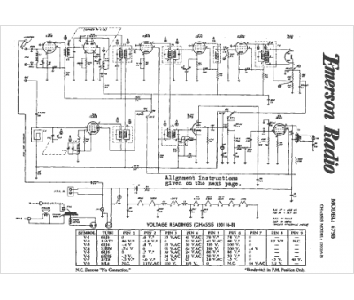
Marque :
															Emerson																																															
														Modèle :
																679B																																	
															Type appareil :
																récepteur à tubes
															Année :
																1951
															Pays d'origine :
																États-Unis
															