
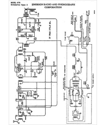
Marque :
Emerson
Modèle :
678
Type appareil :
récepteur à tubes
Année :
1934
Pays d'origine :
États-Unis
