
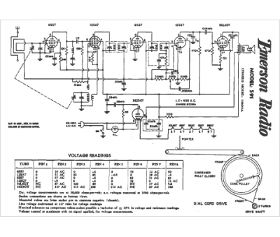
Marque :
Emerson
Modèle :
591
Type appareil :
récepteur à tubes
Année :
1950
Pays d'origine :
États-Unis
