
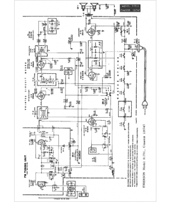
Marque :
Emerson
Modèle :
120747
Type appareil :
récepteur à tubes
Année :
1965
Pays d'origine :
États-Unis
