
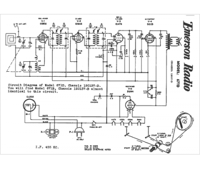
Marque :
Emerson
Modèle :
120137D
Type appareil :
récepteur à tubes
Année :
1951
Pays d'origine :
États-Unis
