
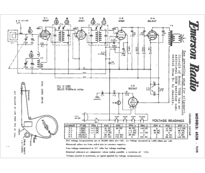
Marque :
Emerson
Modèle :
120136-B
Type appareil :
récepteur à tubes
Année :
1952
Pays d'origine :
États-Unis
