
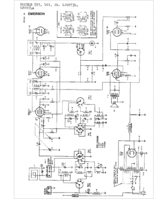
Marque :
Emerson
Modèle :
120074A
Type appareil :
récepteur à tubes
Pays d'origine :
États-Unis
