
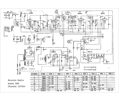
Marque :
Emerson
Modèle :
120038
Type appareil :
récepteur à tubes
Année :
1947
Pays d'origine :
États-Unis
