
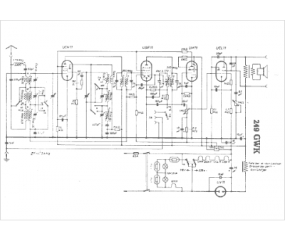
Marque :
Eltra
Modèle :
249 GWK
Type appareil :
récepteur à tubes
Pays d'origine :
Allemagne
