
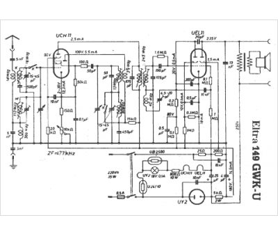
Marque :
Eltra
Modèle :
149 GWK-U
Type appareil :
récepteur à tubes
Pays d'origine :
Allemagne
