
Marque :
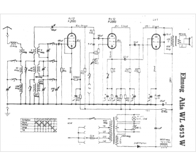
Elmug
Modèle :
Alfa WL 4513 W
Type appareil :
récepteur à tubes
Pays d'origine :
Allemagne
