
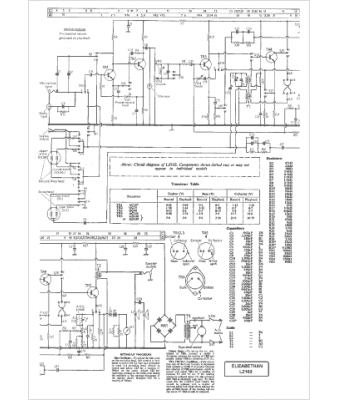
Marque :
Elizabethan
Modèle :
LZ 102
Type appareil :
récepteur à tubes
Pays d'origine :
Grande-Bretagne
