
Marque :
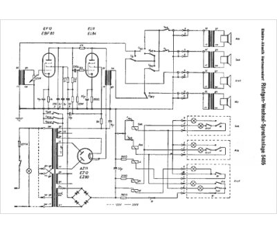
Elektro Akustik
Modèle :
Röntgen Wechsel Sprech. 5405
Type appareil :
récepteur à tubes
Pays d'origine :
Allemagne
