
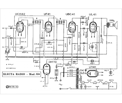
Marque :
Electa
Modèle :
524
Type appareil :
récepteur à tubes
Pays d'origine :
Italie
