
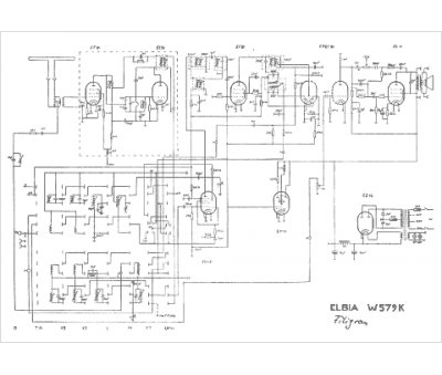
Marque :
Elbia
Modèle :
W579K Filigran
Type appareil :
récepteur à tubes
Pays d'origine :
Allemagne
