
Marque :
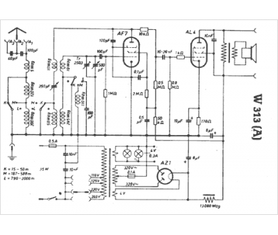
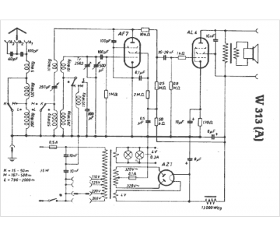
Elbia
Modèle :
W313(A)
Type appareil :
récepteur à tubes
Pays d'origine :
Allemagne
