
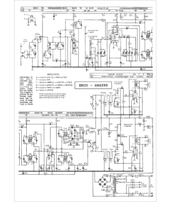
Marque :
Ekco
Modèle :
SRG 395
Type appareil :
récepteur à tubes
Pays d'origine :
Grande-Bretagne
