
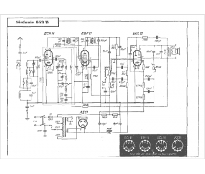
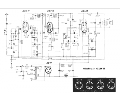
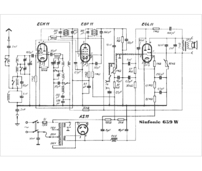
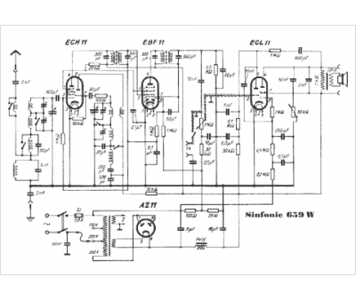
Marque :
Ehra
Modèle :
Sinfonie 659 W
Type appareil :
récepteur à tubes
Pays d'origine :
Allemagne
