
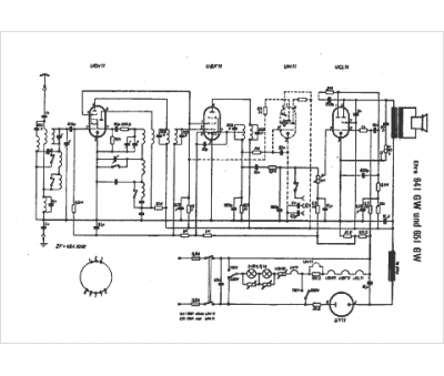
Marque :
Ehra
Modèle :
641 GW
Type appareil :
récepteur à tubes
Pays d'origine :
Allemagne
