
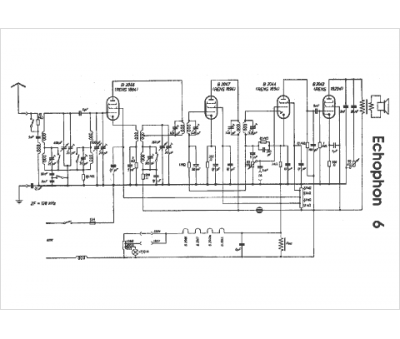
Marque :
Echophone
Modèle :
Echophon 6
Type appareil :
récepteur à tubes
Pays d'origine :
Suisse, États-Unis
