
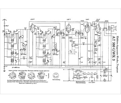
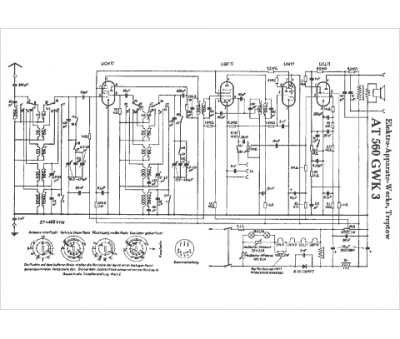
Marque :
EAW
Modèle :
AT 560 GWK
Type appareil :
récepteur à tubes
Pays d'origine :
Allemagne
