
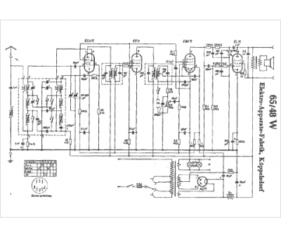
Marque :
EAK
Modèle :
65 48 W
Type appareil :
récepteur à tubes
Pays d'origine :
Allemagne
