
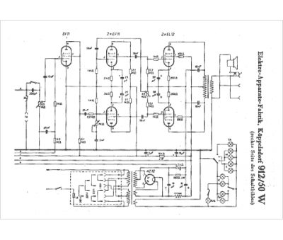
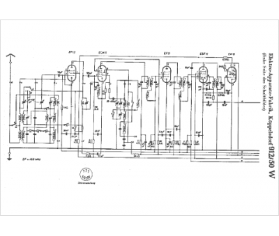
Marque :
EAF
Modèle :
912-50 W
Type appareil :
récepteur à tubes
Pays d'origine :
Allemagne
