
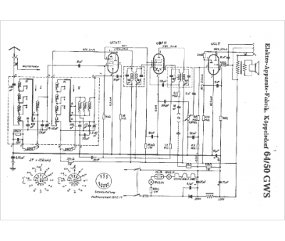
Marque :
EAF
Modèle :
64-50 GWS
Type appareil :
récepteur à tubes
Pays d'origine :
Allemagne
