
Marque :
EAF
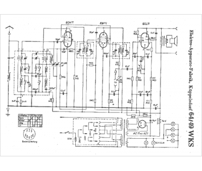
Modèle :
64-49 WKS
Type appareil :
récepteur à tubes
Pays d'origine :
Allemagne
