
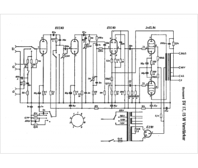
Marque :
Dynacord
Modèle :
SV 17
Type appareil :
récepteur à tubes
Pays d'origine :
Allemagne
