
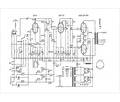
Marque :
Dynacord
Modèle :
K 1
Type appareil :
récepteur à tubes
Pays d'origine :
Allemagne
