
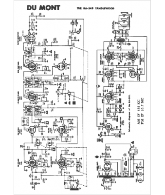
Marque :
DuMont
Modèle :
RA-349
Type appareil :
récepteur à tubes
Année :
1956
Pays d'origine :
États-Unis
