
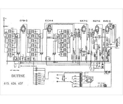
Marque :
Duitse
Modèle :
615
Type appareil :
récepteur à tubes
Pays d'origine :
Italie
