
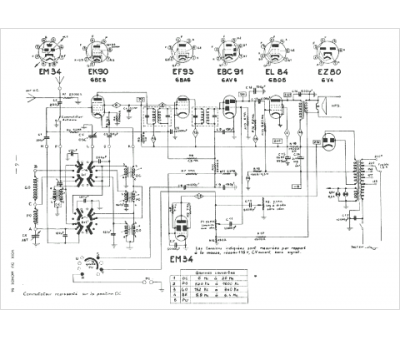
Marque :
Ducretet
Modèle :
VDM56
Type appareil :
récepteur à tubes
Pays d'origine :
France
